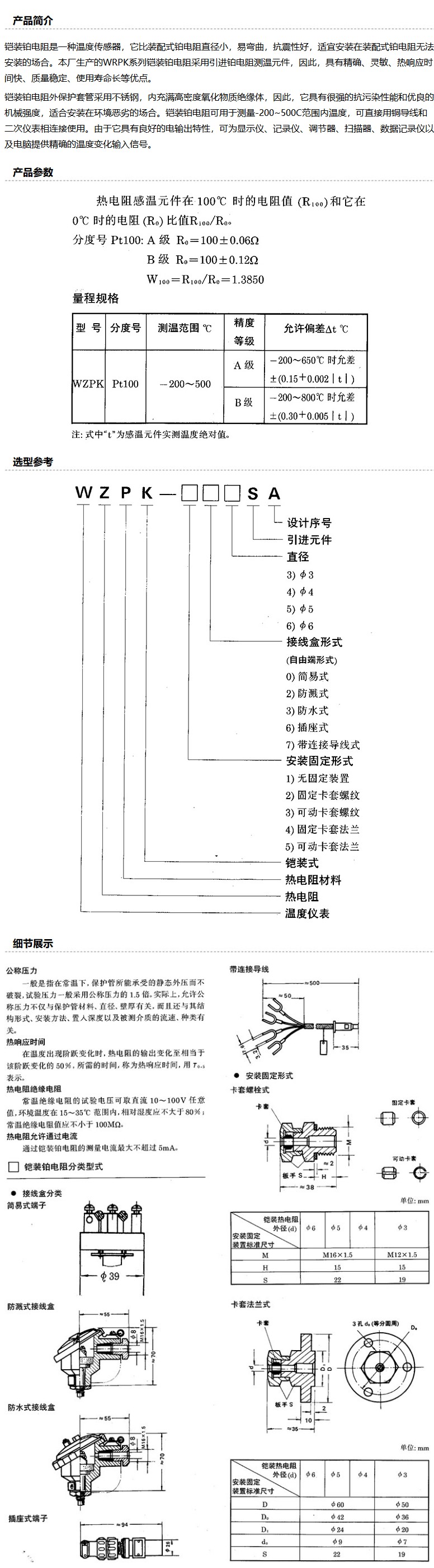
商品名称:上仪 铠装铂电阻,WZPK2-235S 5000mm A级 双支 M27×2

您可以对已购的商品进行评价
发表评论全国联保一年
商城平台卖家销售并发货的商品,由平台卖家提供发票和相应的售后服务。请您放心购买! 注:因厂家会在没有任何提前通知的情况下更改产品包装、产地或者一些附件,本司不能确保客户收到的货物与商城图片、产地、附件说明完全一致。 只能确保为原厂正货!并且保证与当时市场上同样主流新品一致。若本商城没有及时更新,请大家谅解!
商城向您保证所售商品均为正品行货,商城自营商品开具机打发票或电子发票。
凭质保证书及商城发票,可享受全国联保服务(奢侈品、钟表除外;奢侈品、钟表由联系保修,享受法定三包售后服务),与您亲临商场选购的商品享 受相同的质量保证。商城还为您提供具有竞争力的商品价格和运费政策,请您放心购买!
客户购买商城自营商品7日内(含7日,自客户收到商品之日起计算),在保证商品完好的前提下,可无理由退货。(部分商品除外,详情请见各商品细则)
1.若您购买的家电商品已经拆封过,需要退换货,需请联系原厂开具鉴定检测单
2.签收商品隔日起七日内提交退货申请,2-3天快递员与您联系安排取回商品
3.商品退回检验,且必须附上检测单
5.若退回商品有缺件、影响二次销售状况时,退款作业将暂时停止,留芳商城会依商品状况报价,后由客服人员与您联系说明并于订单内扣除费用后退回剩余款项, 或您可以取消退货申请;若符合退货条件者将于商品取回后约1-2个工作日内完成退款
4.通过线上支付的订单办理退货,商品退回检验无误后,商城将提交退款申请, 实际款项会依照各银行作业时间返还至您原支付方式 若您采用货到付款,请于 办理退货时提供退款账户,亦于商品退回检验无误后,将退款汇至您的银行账户中
 
    